PERISTALTIČNE  napredne  DOZIRNE
 

  

   
   

PERISTALTIČNE  napredne  DOZIRNE ČRPALKE   
              Serije:    KRONOS

     DOZIRNE MEMBRANSKE ČRPALKE            PERISTALNIČNE MALE ČRPALKE            MEMBRANSKE ELEKTRIČNE DOZIRNE ČRPALKE

                                                  
   
 
Seko KRONOS peristaltična črpalka gnana s koračnim motorjem.  (STEPPER DRIVE)

Serija peristaltičnih črpalk Kronos je rezultat več kot 35-letnega razvoja dozirnih sistemov. Seko ima  inovativnosti v tej paleti izdelkov in zagotavlja kvalitetni  merilni dozirnih  sistem, ki izpolnjujejo tehnične zahteve tudi v bolj kompleksnih sistemih doziranja.
Serija Kronos je najboljša popolna in zanesljiva družina peristaltičnih črpalk "stepper drive", pogona (koračnii natančni pogon) , ki jih je kdarkoli proizvedel Seko.
Kronos se lahko prilagodi najenostavnejši ali kompleksni  aplikaciji, Hkrati nudijo natančnost pri doziranju kemikalij in sposobnost delovanja v težkih okoljih, kot jih najdemo v kompleksnih okoljih v industriji. obratih, hkrati pa so enostavni za namestitev z nizkimi stroški vzdrževanja tudi v

                           

Doziranje se prenaša iz vrtečih valjev ki stiskajo cev na ohišje.Pri tem principu črpalke nepovratnih ventilov nima ker to finkcijo prevzame  sama cev.
Princip delovanja zagotavlja nežni način doziranja fluida preko stiskanja cevi.
Ohišje je izdelano iz  kemično odporne plastike PPe z IP65 stopnjo zaščite. Opremljen je z več vhodi za merjenje in nastavitev konfiguracij. Tokovno krmiljenje 4-20
mA   230V napajanje. 
Koračni motor pomeni, da omogoča obratovanje s  konstantno velikimi momenti v vseh pogojih obratovanja , precizno nastavljivostjo in nenehnim nadzorom krmiljenja.

 

 

 

 

 

 

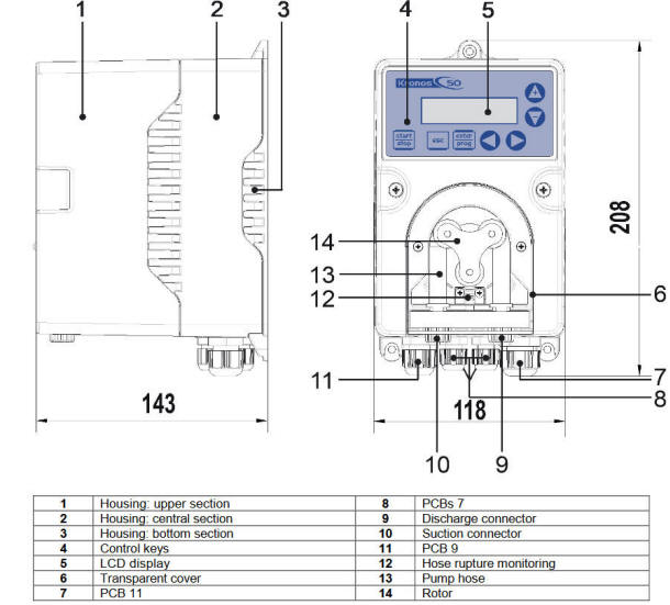
SEKOperistaltična dozirne črpalka KRONOS 50   STEPPER DRIVE




       
KRONOS 50          



 

Tehnične informacije:       KRONOS 50

 MAX PRETOK : 2L/h

 MIN PRETOK : 2  mL/h

 MAX TLAK: 0,1 - 6BAR ( različno od tipa  cevke)
 

 Napajanje : 230 Vac / 50 Hz

 Ohišje : PP z razredom zaščite IP65

 VGRADNJI INSTALACIJSKI KIT : je že vključem





Črpalka ni ATEX in se ne sme uporabljati za gorljive in explozivno nevarne tekočine. Montiramo jo lahko na steno z nosilcem.

 
 

 

 
 


 




 


 

 

 

 

 

 

 

 

 


 

primerjalna tabela modelov



priključne sponke



 



Črpalka ima  nadzor poškodbe cevke (nr12)


SEKO   peristaltična dozirne črpalka KRONOS 65   STEPPER DRIVE

 

 

 



Tehnične informacije:       KRONOS 65

 MAX PRETOK : 25L/h

 MIN PRETOK : 25  mL/h

 MAX TLAK: 0,1 bar NORPRENE (kot EPDM)
 

 Napajanje : 230 Vac / 50 Hz

 Ohišje : PP z razredom zaščite IP65

 VGRADNJI INSTALACIJSKI KIT : je že vključem

 

 

 

 


SEKO
CEVKE ZA PERISTALTIČNE ČRPALKE

 

   
SEKO EXTRA


   PERISTALTIC TUBE




 

 

SEKO BRILL


   PERISTALTIC TUBE

 

Description: Peroxide-cured Sekobrill Silicone Tubing Formulation is designed for use in applications where flexibility, resiliency and durability are required. Produced from a combination of silicone elastomers, Sekobrill Silicone Tubing optimizes critical physical properties such as tensile strength, elongation and compression set, resulting in a more physically durable product. Its smooth inner surface reduces the risk of particulate entrapment and microscopic buildup during fluid transfer. Sekobrill Silicone Tubing complies fully with the requirements of the USP Class VI Criteria and is entirely non-toxic, non-hemolytic and non-pyrogenic. It also meets 3-A Sanitary Standards, FDA 21 CFR Part 177.2600 Criteria and NSF 51 Standard.

Main Features and Benefits:

Provides Resiliency, Long Life and Durability
Ultra-Smooth Inner Bore Reduces risk of Particulate Entrapment
Taste and Odor Free
Withstands Temperature Extremes From -60°C to 177°C
• Meets USP Class VI and FDA Criteria

Typical Applications:
Veterinary Pharmaceuticals
Respiratory and Anesthesia Equipment
Food and Dairy Processing
Beverage Dispensing
Sterile Filling and Processing

 

 

 
SEKO SANTOPRENE


  PERISTALTIC TUBE

Description: A colorable thermoplastic general purpose elastomer with good fluid resistance, formulated to replace thermoset elastomers such as EPDM, polychloroprene, and chlorosulfonated polyethylene. It can be processed using injection molding, extrusion, blow molding or other melt processing techniques. It will not weaken or crack after years of exposure to heat and ozone, providing long service in a wide range of applications such as gasketing, abrasion-resistant sleeving and cable insulation.
 

Main Features and Benefits:
• UL Yellow Card listed, UL 94 HB flame rating
• Continuous temperature rating 1000 hrs. @ 135°C (275°F)
• Excellent flex fatigue resistance
• Excellent ozone and UV light resistance
• Abrasion Resistant
• Excellent resistance to alkaline products
• Low Gas Permeability Versus Rubber Tubing

Typical Applications:
• Soap and Disinfectant Dispensing
• Swimming Pools water treatment
• Caustic Dispensing
 

 

 


SEKO NORPRENE



  PERISTALTIC TUBE


 

 

 

 

 

 

 
 
        


Nazaj na IZDELKI


[ Nazaj ]            [ Izdelki ]    [ Lokacija ]              [ Novosti ]       [ Uporabne info. ]            [ E-Mail ]   

E-mail :SERVIS

LASTRATECH d.o.o. , Rakovica 28, 4201 Zg.Besnica-KRANJ   tel: 04 250 66 30     fax: 04 250 66 33,  gsm:  041 642 631