
ZAŠČITA ZA SUHI TEK ČRPALK
SISTEM
1
| |
Sistem :
DRYRUNNER 40 -
PP za najzahtevnejše aplikacije |
|
SPLOŠNO
Sistem zaščite je grajen na način da kapacitivni senzor meri prisotnost
fluida v ohišju s senzorskim
elementom kot celoto in elektro krmilno omaro .
Mehanski del z senzorjem se prigradi - privijači na tlačni del.
Sistem varovanja je idealen za črpalke ki imajo sesalne
in tlačne cevovode dolge in nivojsko stikalo ni mogoče
prigraditi ali pa je lahko zaradi vrste fluida nezanesljivo.
Črpalko varovalni sistem ustavi če medij ni prisoten že po
nekaj sekundah.
Materiali so vsi plastični in odporni na vrsto kislin in alkalij.
PRETOČNA cev na mestu kjer je senzorika ostane nespremenjena in nič
zožana.

ZAŠČITA SUHI TEK:
LASTRATECH
DRY-RUNNER
montirana izvedba na kislinskoodprni črpalki
CBB300-PP namenjena prečrpavanju kislin iz cistern |
 |

LASTRATECH
DRY-RUNNER
PRIKAZ MONTAŽE NA OPREMI |
| |
|
|

KO1500 FQ +
LASTRATECH
DRY-RUNNER
Elektro krmilna omara z frekvenčnim
regulatorjem za nastavitev pretoka črpalke 0-100% preko
potenciometra /START STOP /IZKLOP V SILI /GLAVNO STIKALO+ DRY
RUN MODULOM .
|
|

ZAŠČITA ZA SUHI TEK
LASTRATECH
DRY-RUNNER
Priključni kabel senzorja 24vDC
se priključi na krmilno elektroomaro
Senzor se privije na tlačno cev in
nadaljuje z istim premerom holandca kot je na črpalki.Montaža je
hitra in enostavna. |
Elektroomara vsebuje krmilni mikrokontroler ki deluje na sistem da
izključi črpalko ko tekočina več ne teče oz ni prisotna v cevovodu.
|
oznaka |
tlačni premer cevi |
material ohišje / tesnilo* |
max obratovalni tlak |
| DRYDUNNER 32 PP |
DA 32 DN 25 |
PP/ EPDM/FKM |
10 bar |
| DRYDUNNER 40 PP |
DA 40 DN 32 |
PP/ EPDM/FKM |
10 bar |
| DRYDUNNER 50 PP |
DA 50 DN 40 |
PP/ EPDM/FKM |
10 BAR |
* FKM ali TEFLON tudi dobavljiva opcija

ZAŠČITA ZA SUHI TEK ČRPALK
SISTEM
2
| |
Sistem :
MOTORSENZOR
za vse
keramično tesnene LASTRATECH črpalke |
|
SPLOŠNO
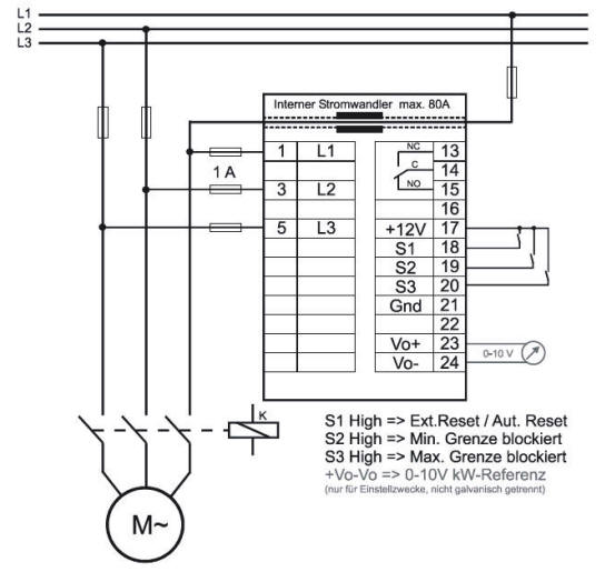
Sistem je grajen za 3 fazne asinhronske motorje.
Sistem vsebuje krmilni modul ki meri linijsko tokovno obremenitev
sistema.
Sistem je cenovno ugoden in zanesliv ter omogoča varno nadgradnjo
sistema brez
velikih posegov.
Krmiljenje sistema izhaja iz teoretične difinicije delovne moči.
Če med obratovanjem zmanka tekočine v črpalki pade linijski
tok in premosorazmerno delovna moč .
Ta pojav senzor zaznava in v primeru da pade linijski tok pod
nastavljeno kritično vrednost izkluči motor.

Motor deluje kot senzor .
Krmilni modul se vgradi pred kontaktorjem . Lahko v obstoječe krmilne
elektroomare. Modul je potrebno za vsako črpalko posebej umeriti.
 



|

SENZOR NIVOJA - izvedba
vilice
MAT: Wr.Nr.: 1.4404 24VDC /230VAC |

SESALNA KOŠARA
- izvedba navojna
MAT: polipropilen |

KONTROLA PRETOKA
- krmiljenje
pretoka
preko frekvenčnehga regulatorja |

NEPOVRATNI VENTILI z kroglo ali plovcem |

TLAČNI REGULATORJI
- za vzdrževanje tlaka
-za varno obratovanje |
|
|
 

[ Nazaj ] [ Izdelki ] [ Lokacija ] [ Novosti ] [ Uporabne info. ] [ E-Mail ] LASTRATECH d.o.o. , Rakovica 28, 4201 Zg.Besnica-KRANJ tel: 04 250 66 30 fax: 04 250 66 33, gsm: 041 642 631
|